Назначение
Регулятор температуры TER-9 230 предназначен для контроля и поддержания заданного температурного режима в помещениях, овощехранилищах, системах водяного отопления и т .п. путем включения/выключения нагревательной или охлаждающей установки по сигналам выносных датчиков температуры.
Заменяет 2 стандартных термостата.
Достоинства
- Цифровой термостат с шестью функциями и встроенным коммутационным таймером (дневная, недельная программы).
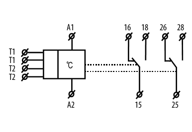
- Два термостата в одном, два температурных входа для выносных датчиков и два независимых реле 8А с 1P(приключающим) контактом каждое.
- Максимально универсальный и вариабильный термостат, объединяющий в себе стандартные функции термостата.
- Выбор внешних температурных сенсоров с двойной изоляцией стандартных длин: 10 см, 3 м, 6 м, 12 м - заказываются отдельно.
- 6 функций:
- два независимых термостата,
- зависимая функция,
- дифференциальный термостат,
- двухуровненвый термостат,
- функция "ОКНО",
- "мертвая зона", термофункции.
Подробнее о каждой из функций можно прочитать в PDF-файле с инструкцией.
- Программная настройка функции выводов, калибровка сенсоров по референтным температурам.
- Термостат подчиняется программе цифрового таймера.
- Память для сохранения наиболее используемых предустановок температур.
- Нулевая ошибка при настройке параметров, широкий диапазон рабочих температур.
- Наглядное изображение настройки и данных замеров на дисплее LCD с подсветкой.
- Гальванически изолированное питание AC 230 V.
- Выходные контакты 2x переключающих 8A /250 V AC1 для каждый.
- В исполнении 2-МОДУЛЯ, крепление на DIN рейку.
Технические характеристики
| Клеммы замера: |
T1-T1 и T2-T2 |
| Диапазоны температуры: |
-40.. +110 °C |
| Гистерезис (чуствительность): |
диапазон настройки 0.5 .. 5 °C
|
| Дифференция: |
настраиваемое, 1 .. 50 °C |
| Сенсор: |
термистор NTC 12 k при 25°C
|
| Индикация ошибки сенсора: |
надпись “Err” |
| Количество контактов: |
2x (переключающих) AgNi |
| Номинальный ток: |
2x 8 A / AC1 |
| Замыкающая мощность: |
2500 VA / AC1, 240 W / DC |
| Замыкающее напряжение: |
250 V AC1 / 24 V DC |
| Индикация входа: |
надпись ON/OFF |
| Рабочая температура: |
- 20 .. +55 °C |
| Монтаж: |
DIN рейка 35 мм |
| Защита: |
IP 20 |
| Категория перенапряжения: |
III. |
| Размер: |
90 x 35.6 x 64 мм |
| Вес: |
140 г |
Описание устройства

Схема подключения


Габаритные размеры
